汽車尾氣催化劑評價裝置-合肥原位科技有限公司。
合肥原位科技有限公司,專業催化劑評價裝置廠家。汽車尾氣催化劑評價裝置是根據實驗需求定制的,具體以實驗需求為準!
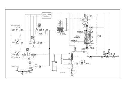
一、加氫反應固定床評價裝置產品介紹
本裝置配置三路氣體進料和一路液體進料,包括但不限于C02加氫制備甲醇、丙酮縮合-加氫制備甲基異丁基酮等反應.可實現遠程控制、尾氣物流分流和全組分進樣分析.
產品特點
本裝置除具備常規固定床的結構和功能外,還包含以下特點:
遠程控制:氣路質溫流員計前均設置自保持電磁閥。電磁閥、電加蒸爐、溫控和壓力傳感器與控制系統連接,能夠在溫度、壓強出現異常時,遠程實時停止加熱和關閉氣路閥門,確保實驗安全性;
尾氣物潦分流:尾氣物流分為兩支,分別采用“背壓閥"和“背壓閥-減壓閥”對尾氣物潦進行比例分流,調控進入后端檢測器流量,同時實現全組分析和產物分離。
二、微型固定床反應器
產品介紹:
合肥原位(桌面)微型固定床反應器適用于實驗室工作臺面,具有體積小、結構緊湊、模塊化設計便于組裝改進等特點。可根據反應體系定制反應通道、氣液路數量、分離裝置類型&尺寸以及取樣分析方式,完美契合客戶實際需求.
模塊化:桌面小型模塊化,根據實驗體系自由組裝、擴展及改進;
精確性:壓力±0.25%F.S,流量± 1%F.S,恒溫區溫差±1°C,各通道間溫差±1°C,控溫精度±0.1°C;
適用性:可實現多氣相、氣-液兩相和氣-液-固三相反應,并能與GC/MS/IR等聯用實現在線檢測;
便捷性:溫度采用PID控制,確保反應溫度穩定,可恒定輸出以考察反應熱量變化。數據采集及控制集成在觸摸屏,操作界面簡潔友好,使用方便快捷。可實現產物自動取樣分析,實現全天候連續運轉,無須人工干預;
安全性:電氣安全連鎖,采用軟硬件結合的安全設計,超壓、超溫 報警,過時未處理自動停止工作;誤操作保護;停電、停氣處理等。
三、多通道固定床反應器
產品介紹
合肥原位多通道固定床反應器,旨在最大程度提高實驗人員工作效率而設計的高溫高壓多位反應裝置,可實現對催化材料、反應評價和工藝優化的快速、高效、平行篩選。各通道反應器可選擇一體式、獨立式及快速切換式工作模式。
產品優勢
針對性強:工藝流程、工藝參數追認和標準件選型完全根據客戶需求定制;
準確計算設計:根據客戶資料,準確進行物料、熱增衡算,對包括反應器、分離裝置、換熱裝置在內的非標件的尺寸、參數進行計算設計;
精確性:壓力±0.25%F.S,流量±1%F.S,恒溫區溫差±1℃,各通道間混差±1℃,控溫精度±0.1℃
自動化程度高:壓力、溫度、流量等數據采集及控制集成在觸摸屏,操作界面簡潔友好,使用方便快捷。可實現產物自動取樣分析,全天候連續運轉。能夠實現不同通道間前處理、吹掃、反應等評價階段的任意切換,最大程度提高實驗人員工作效率;
平行性:獨立設置各通道反應參數、實時監控狀態和產物分析:獨立流量計進樣、溫度控制,單獨配置產物分離、取樣分析模塊,控制通道間參數誤差。

汽車尾氣催化劑評價裝置,歡迎在線咨詢。